WELCOME TO Tangshan Jinghua Steel Pipe Co.,Ltd.
简体中文
|
ENGLISH
网站首页
关于京华
企业概况
企业文化
员工风采
组织架构
荣誉证书
大 事 记
在线视频
产品与服务
产品展示
质量保障
销售服务
新闻与资讯
最新公告
公司新闻
行业动态
设备与工艺
生产设备
检测设备
工艺流程
环保节能
工程与业绩
客户业绩
重点工程
九游(中国)
联系方式
相关企业
网上地图
网站地图
最新公告
公司新闻
行业动态
您所在的位置:
网站首页
-
新闻与资讯
-
最新公告
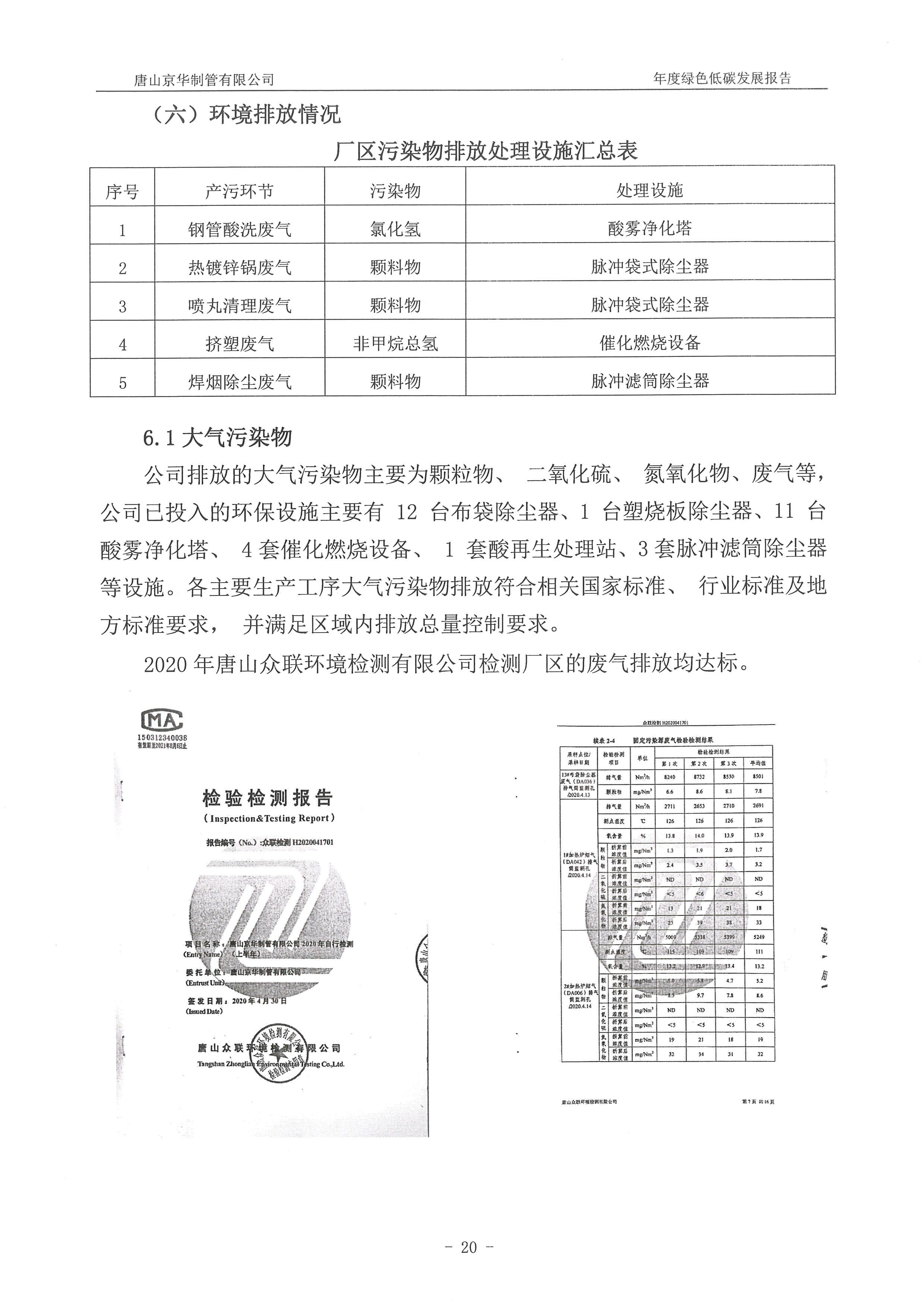
年度绿色发展报告
发布人:admin 发布时间:2021-05-07 浏览次数:3788次
上一篇:
九游网2020年社会责任报告
下一篇:
唐山京华监督举报公示牌
【
打印本页
】 【
关闭本页
】
九游网
营业执照
版权所有: Copyright 2020-2023 All rights reserved.
冀ICP备19025769号-1
互联网违法信息举报
技术支持:
文豪科技
地址:河北省唐山市开平区新苑路118号 联系人:李辉 电话:0315-3371222 传真:0315-3371538 邮编:063021 E-mail:tshqlt@163.com
九游网
|
j9体育app
|
乐鱼官方网站
|
九游j9在线官网
|
华体会官方网站
|
九游官方网站
|
开云官方网页版_开云(中国)
|
开云网页版·官方版在线登入
|
开云电子·(中国)官方网站
|